AUDI A6 C5 (4B2, 4B4) 2.4 quattro - Brzdový kotouč od 8/1998 do 7/1999, 2393 ccm, 115 kW, 156 hp, APC, limuzína
montovaná strana | přední osa |
---|---|
Výška [mm] | 46,2 mm |
typ brzdového kotouče | vnitřně větráno |
Síla brzdového kotouče [mm] | 25 mm |
Vnější průměr [mm] | 288 mm |
Počet děr | 9 |
Centrovací průměr [mm] | 68 mm |
Dostupnost
montovaná strana | Zadní náprava |
---|---|
Výška [mm] | 54 mm |
typ brzdového kotouče | plný |
Síla brzdového kotouče [mm] | 10 mm |
Vnější průměr [mm] | 255 mm |
Počet děr | 5 |
Centrovací průměr [mm] | 68 mm |
Dostupnost
oddělení bloku | Ano |
---|---|
Počet děr ráfku kola | 5 -díra |
montovaná strana | přední osa |
Tloušťka/síla [mm] | 46 mm |
Hmotnost [kg] | 8,9 kg |
typ brzdového kotouče | vnější větrání |
Síla brzdového kotouče [mm] | 25 mm |
Vnější průměr [mm] | 312 mm |
Centrovací průměr [mm] | 68 mm |
Kruhový vyvrt O 2 [mm] | 112 mm |
povrch | nátěr |
Počet upevňovacích otvorů | 1 |
Dbejte servisních informaci | Ano |
Dostupnost
oddělení bloku | Ano |
---|---|
Počet děr ráfku kola | 5 -díra |
montovaná strana | přední osa |
Tloušťka/síla [mm] | 46 mm |
Hmotnost [kg] | 7,7 kg |
typ brzdového kotouče | vnitřně větráno |
Síla brzdového kotouče [mm] | 25 mm |
Vnější průměr [mm] | 288 mm |
Centrovací průměr [mm] | 68 mm |
Kruhový vyvrt O 2 [mm] | 112 mm |
povrch | nátěr |
Počet upevňovacích otvorů | 1 |
Dbejte servisních informaci | Ano |
Dostupnost
Podvozek | pro vozidla se sportovním podvozkem |
---|---|
Počet děr ráfku kola | 5 -díra |
montovaná strana | Zadní náprava |
Tloušťka/síla [mm] | 48 mm |
Hmotnost [kg] | 3,6 kg |
typ brzdového kotouče | plný |
Síla brzdového kotouče [mm] | 10 mm |
Vnější průměr [mm] | 255 mm |
Centrovací průměr [mm] | 68 mm |
Kruhový vyvrt O 2 [mm] | 112 mm |
povrch | nátěr |
Dbejte servisních informaci | Ano |
Dostupnost
Podvozek | pro vozidla bez sportovního podvozku |
---|---|
Počet děr ráfku kola | 5 -díra |
montovaná strana | Zadní náprava |
Tloušťka/síla [mm] | 54 mm |
Hmotnost [kg] | 3,7 kg |
typ brzdového kotouče | plný |
Síla brzdového kotouče [mm] | 10 mm |
Vnější průměr [mm] | 255 mm |
Centrovací průměr [mm] | 68 mm |
Kruhový vyvrt O 2 [mm] | 112 mm |
povrch | nátěr |
Dbejte servisních informaci | Ano |
Dostupnost
Množství | 2 |
---|---|
montovaná strana | přední osa |
Průměr v mm | 311,8 mm |
typ brzdového kotouče | větráno |
Síla brzdového kotouče [mm] | 25 mm |
Zpracování | vysoce nauhličeno |
Vnější průměr [mm] | 312 mm |
Počet děr | 10 |
povrch | lakováno |
průměr náboje kola [mm] | 68 mm |
Dostupnost
montovaná strana | přední osa |
---|---|
Výška [mm] | 46,3 mm |
Hmotnost [kg] | 7,7 kg |
typ brzdového kotouče | větráno |
Síla brzdového kotouče [mm] | 25 mm |
Velikost závitu | 15,3 |
vnitřní průměr [mm] | 135 mm |
Vnější průměr [mm] | 288 mm |
Počet děr | 9 |
Centrovací průměr [mm] | 68 mm |
Kruhový vyvrt O 2 [mm] | 112 mm |
povrch | galvanizováno |
Dostupnost
montovaná strana | přední osa |
---|---|
Výška [mm] | 46,2 mm |
typ brzdového kotouče | vnitřně větráno |
Síla brzdového kotouče [mm] | 25 mm |
počet děr | 5 |
Vnější průměr [mm] | 288 mm |
Počet děr | 5 |
Centrovací průměr [mm] | 68 mm |
Kruhový vyvrt O 2 [mm] | 112 mm |
povrch | nátěr |
Dostupnost
montovaná strana | přední osa |
---|---|
Výška [mm] | 46,2 mm |
typ brzdového kotouče | vnitřně větráno |
Síla brzdového kotouče [mm] | 25 mm |
počet děr | 1 |
Vnější průměr [mm] | 312 mm |
Počet děr | 9 |
Centrovací průměr [mm] | 68 mm |
Kruhový vyvrt O 2 [mm] | 112 mm |
povrch | nátěr |
Dostupnost
Počet děr ráfku kola | 5 -díra |
---|---|
montovaná strana | Zadní náprava |
Výška [mm] | 48 mm |
typ brzdového kotouče | plný |
Síla brzdového kotouče [mm] | 10 mm |
Vnější průměr [mm] | 255 mm |
Počet děr | 5 |
Centrovací průměr [mm] | 68 mm |
Kruhový vyvrt O 2 [mm] | 112 mm |
povrch | nátěr |
Dostupnost
montovaná strana | přední osa |
---|---|
Zkušební značka | ECE R90 |
Výška [mm] | 46,5 mm |
Požadovaný počet kusů | 2 |
typ brzdového kotouče | větráno |
Síla brzdového kotouče [mm] | 25 mm |
Vnější průměr [mm] | 288 mm |
Počet děr | 5 |
Centrovací průměr [mm] | 68 mm |
Kruhový vyvrt O 2 [mm] | 112 mm |
vyměňovat pouze v páru | Ano |
Dostupnost
Počet děr ráfku kola | 5 -díra |
---|---|
montovaná strana | přední osa |
Výška [mm] | 46,3 mm |
Hmotnost [kg] | 8,95 kg |
typ brzdového kotouče | větráno |
Síla brzdového kotouče [mm] | 25 mm |
Vnější průměr [mm] | 312 mm |
Centrovací průměr [mm] | 68 mm |
Počet upevňovacích otvorů | 5 |
Dostupnost
Počet děr ráfku kola | 5 -díra |
---|---|
montovaná strana | Zadní náprava |
Výška [mm] | 47,8 mm |
Hmotnost [kg] | 7,45 kg |
typ brzdového kotouče | plný |
Síla brzdového kotouče [mm] | 10 mm |
Vnější průměr [mm] | 255 mm |
Centrovací průměr [mm] | 68 mm |
Dostupnost
Počet děr ráfku kola | 5 -díra |
---|---|
montovaná strana | Zadní náprava |
Výška [mm] | 53,8 mm |
Hmotnost [kg] | 7,65 kg |
typ brzdového kotouče | plný |
Síla brzdového kotouče [mm] | 10 mm |
Vnější průměr [mm] | 255 mm |
Centrovací průměr [mm] | 68 mm |
Dostupnost
Počet děr ráfku kola | 5 -díra |
---|---|
montovaná strana | přední osa |
Výška [mm] | 46,3 mm |
Hmotnost [kg] | 8,95 kg |
typ brzdového kotouče | větráno |
Síla brzdového kotouče [mm] | 25 mm |
Vnější průměr [mm] | 312 mm |
Centrovací průměr [mm] | 68 mm |
povrch | nátěr |
Dostupnost
oddělení bloku | Ano |
---|---|
montovaná strana | přední osa |
Výška [mm] | 46,4 mm |
Požadovaný počet kusů | 2 |
typ brzdového kotouče | větráno |
Síla brzdového kotouče [mm] | 30 mm |
Zpracování | vysoce nauhličeno |
Vnější průměr [mm] | 321 mm |
Počet děr | 5 |
Centrovací průměr [mm] | 68 mm |
Kruhový vyvrt O 2 [mm] | 112 mm |
povrch | Zinek-lamela-potažení (povrch) |
Doplňující výrobek/info 2 | se šrouby |
Průměr díry pro šroub kola [mm] | 15,3 mm |
Dostupnost
Tento produkt je na závaznou objednávku a nelze jej vrátit!
montovaná strana | Zadní náprava |
---|---|
Výška [mm] | 33 mm |
Výška [mm] | 53,8 mm |
typ brzdového kotouče | plný |
Síla brzdového kotouče [mm] | 10,0 mm |
Síla brzdového kotouče [mm] | 12 mm |
počet děr | 5 |
Vnější průměr [mm] | 255 mm |
Vnější průměr [mm] | 277 mm |
Kruhový vyvrt O 2 [mm] | 70 mm |
povrch | lakováno |
Dostupnost
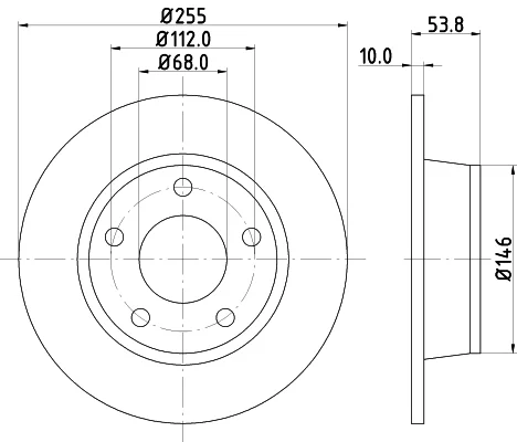
montovaná strana | Zadní náprava |
---|---|
Výška [mm] | 53,8 mm |
Hmotnost [kg] | 3,6 kg |
typ brzdového kotouče | plný |
Síla brzdového kotouče [mm] | 10 mm |
Počet děr v brzdovém bubnu | 05/05 |
vnitřní průměr [mm] | 144 mm |
Vnější průměr [mm] | 255 mm |
Centrovací průměr [mm] | 68 mm |
Kruhový vyvrt O 2 [mm] | 112 mm |
povrch | nátěr |
Doplňující výrobek/info 2 | bez ložiska (kola) |
Doplňující výrobek/info 2 | bez náboje kola |
Doplňující výrobek/info 2 | bez šroubů vozidlového kola |
Průměr díry pro šroub kola [mm] | 15,3 mm |
Dostupnost
montovaná strana | přední osa |
---|---|
Výška [mm] | 46,2 mm |
Hmotnost [kg] | 9,1 kg |
typ brzdového kotouče | vnější větrání |
Síla brzdového kotouče [mm] | 25 mm |
Počet děr v brzdovém bubnu | 05/06 |
vnitřní průměr [mm] | 158 mm |
Vnější průměr [mm] | 312 mm |
Centrovací průměr [mm] | 68 mm |
Kruhový vyvrt O 2 [mm] | 112 mm |
povrch | nátěr |
Doplňující výrobek/info 2 | bez ložiska (kola) |
Doplňující výrobek/info 2 | bez náboje kola |
Doplňující výrobek/info 2 | bez šroubů vozidlového kola |
Průměr díry pro šroub kola [mm] | 15,3 mm |
Dostupnost