PEUGEOT 206 Šikmá zadní část (2A/C) 1.4 16V - Brzdový buben od 10/2003 do 2/2008, 1360 ccm, 65 kW, 88 hp, KFU (ET3J4), Šikmá zadní část
| Konstrukční rok do | 02/2007 |
|---|---|
| Brzdy / jízdní dynamika | ne pro ABS |
| montovaná strana | Zadní náprava |
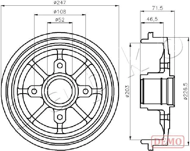
| Vnější průměr brzdového bubnu [mm] | 247 mm |
| Výška brzdového bubnu vnitřní [mm] | 46 mm |
| Výška brzdového bubnu celková [mm] | 71,4 mm |
| Počet děr | 4 |
| Centrovací průměr [mm] | 52 mm |
| Kruhový vyvrt O 2 [mm] | 108 mm |
| povrch | lakováno |
| Vnitřní průměr brzdového bubnu [mm] | 203 mm |
Dostupnost
| montovaná strana | Zadní náprava |
|---|---|
| Průměr v mm | 203 mm |
| Výška brzdového bubnu vnitřní [mm] | 47 mm |
| Počet děr v brzdovém bubnu | 4/4 |
| povrch | nátěr |
| Doplňující výrobek/info 2 | bez ABS senzoru |
| Doplňující výrobek/info 2 | bez ložiska (kola) |
Dostupnost
| montovaná strana | Zadní náprava |
|---|---|
| Brzdná/jízdní dynamika | pro vozidla bez ABS |
| Výška brzdového bubnu vnitřní [mm] | 46,5 mm |
| Výška brzdového bubnu celková [mm] | 71,5 mm |
| Počet děr | 4 |
| Doplňující výrobek/info 2 | bez ABS senzoru |
| Doplňující výrobek/info 2 | s ložiskem (kola) |
| Vnitřní průměr brzdového bubnu [mm] | 203 mm |
Dostupnost
| montovaná strana | Zadní náprava |
|---|---|
| Brzdná/jízdní dynamika | pro vozidla bez ABS |
| Počet děr ráfku kola | 4 -díra |
| Druh brzd | brzdový buben s ložiskem |
| Výška brzdového bubnu vnitřní [mm] | 46,5 mm |
| Výška brzdového bubnu celková [mm] | 71,5 mm |
| Centrovací průměr [mm] | 52 mm |
| Vnitřní průměr brzdového bubnu [mm] | 203 mm |
Dostupnost
| montovaná strana | Zadní náprava |
|---|---|
| Vnější průměr brzdového bubnu [mm] | 212 mm |
| Výška brzdového bubnu vnitřní [mm] | 46 mm |
| Výška brzdového bubnu celková [mm] | 80 mm |
| Počet děr | 4 |
| Centrovací průměr [mm] | 52,3 mm |
| Kruhový vyvrt O 2 [mm] | 108 mm |
| Doplňující výrobek/info 2 | bez ABS senzoru |
| Doplňující výrobek/info 2 | bez ložiska (kola) |
| Vnitřní průměr brzdového bubnu [mm] | 180 mm |
Dostupnost
| montovaná strana | Zadní náprava |
|---|---|
| Vnější průměr brzdového bubnu [mm] | 247 mm |
| Výška brzdového bubnu vnitřní [mm] | 47 mm |
| Výška brzdového bubnu celková [mm] | 72 mm |
| Počet děr | 4 |
| Centrovací průměr [mm] | 52 mm |
| Kruhový vyvrt O 2 [mm] | 108 mm |
| Doplňující výrobek/info 2 | bez ložiska (kola) |
| Vnitřní průměr brzdového bubnu [mm] | 203 mm |
Dostupnost
| Brzdná/jízdní dynamika | pro vozidla s ABS |
|---|---|
| montovaná strana | Zadní náprava |
| Vnější průměr brzdového bubnu [mm] | 247 mm |
| Výška brzdového bubnu vnitřní [mm] | 47 mm |
| Výška brzdového bubnu celková [mm] | 72 mm |
| Počet děr | 4 |
| Centrovací průměr [mm] | 52 mm |
| Kruhový vyvrt O 2 [mm] | 108 mm |
| Doplňující výrobek/info 2 | s ABS senzorem |
| Doplňující výrobek/info 2 | s ložiskem (kola) |
| Vnitřní průměr brzdového bubnu [mm] | 203 mm |
Dostupnost
| Konstrukční rok do | 03/2006 |
|---|---|
| montovaná strana | Zadní náprava |
| Vnější průměr brzdového bubnu [mm] | 247 mm |
| Výška brzdového bubnu vnitřní [mm] | 46 mm |
| Počet děr | 4 |
| celková výška [mm] | 71 mm |
| Vnitřní průměr brzdového bubnu [mm] | 203 mm |
Dostupnost
| Brzdná/jízdní dynamika | pro vozidla bez ABS |
|---|---|
| montovaná strana | přední osa |
| montovaná strana | Zadní náprava |
| Vnější průměr brzdového bubnu [mm] | 212 mm |
| Výška brzdového bubnu vnitřní [mm] | 46,1 mm |
| Výška brzdového bubnu celková [mm] | 80 mm |
| Počet děr | 4 |
| Centrovací průměr [mm] | 52 mm |
| Kruhový vyvrt O 2 [mm] | 108 mm |
| povrch | lakováno |
| Vnitřní průměr brzdového bubnu [mm] | 180 mm |
Dostupnost
| Konstrukční rok do | 02/2007 |
|---|---|
| Brzdy / jízdní dynamika | ne pro ABS |
| montovaná strana | Zadní náprava |
| Vnější průměr brzdového bubnu [mm] | 247 mm |
| Výška brzdového bubnu vnitřní [mm] | 46 mm |
| Výška brzdového bubnu celková [mm] | 71,4 mm |
| Počet děr | 4 |
| Centrovací průměr [mm] | 52 mm |
| Kruhový vyvrt O 2 [mm] | 108 mm |
| povrch | lakováno |
| Vnitřní průměr brzdového bubnu [mm] | 203 mm |
Dostupnost
| montovaná strana | Zadní náprava |
|---|---|
| Číslo produkce | K6066001 |
Dostupnost
| montovaná strana | Zadní náprava |
|---|---|
| Hmotnost [kg] | 6,5 kg |
| Vnější průměr brzdového bubnu [mm] | 247 mm |
| Výška brzdového bubnu vnitřní [mm] | 47 mm |
| Výška brzdového bubnu celková [mm] | 72 mm |
| Počet děr v brzdovém bubnu | 04/04 |
| Centrovací průměr [mm] | 52 mm |
| Kruhový vyvrt O 2 [mm] | 108 mm |
| Doplňující výrobek/info 2 | bez ložiska (kola) |
| Doplňující výrobek/info 2 | bez šroubů vozidlového kola |
| Doplňující výrobek/info 2 | s nábojem kola |
| Číslo technické informace | 61282 |
| Vnitřní průměr brzdového bubnu [mm] | 203 mm |
| Průměr díry pro šroub kola [mm] | 12 mm |
Dostupnost
| montovaná strana | Zadní náprava |
|---|---|
| Hmotnost [kg] | 6,8 kg |
| Vnější průměr brzdového bubnu [mm] | 247 mm |
| Výška brzdového bubnu vnitřní [mm] | 47 mm |
| Výška brzdového bubnu celková [mm] | 72 mm |
| Počet děr v brzdovém bubnu | 04/04 |
| Centrovací průměr [mm] | 52 mm |
| Kruhový vyvrt O 2 [mm] | 108 mm |
| Doplňující výrobek/info 2 | bez šroubů vozidlového kola |
| Doplňující výrobek/info 2 | s ABS senzorem |
| Doplňující výrobek/info 2 | s ložiskem (kola) |
| Doplňující výrobek/info 2 | s nábojem kola |
| Číslo technické informace | 61418 |
| Vnitřní průměr brzdového bubnu [mm] | 203 mm |
| Průměr čepu nápravy [mm] | 25 mm |
| Průměr díry pro šroub kola [mm] | 12 mm |
Dostupnost
| Brzdy / jízdní dynamika | ne pro ABS |
|---|---|
| montovaná strana | Zadní náprava |
| Výška [mm] | 71,7 mm |
| Hmotnost [kg] | 6,5 kg |
| Vnější průměr brzdového bubnu [mm] | 247 mm |
| vnitřní průměr [mm] | 203 mm |
| Vnější průměr [mm] | 247 mm |
| Centrovací průměr [mm] | 56 mm |
Dostupnost
| Brzdy / jízdní dynamika | pro ABS |
|---|---|
| montovaná strana | Zadní náprava |
| Výška [mm] | 71,5 mm |
| Hmotnost [kg] | 6,8 kg |
| Vnější průměr brzdového bubnu [mm] | 247 mm |
| vnitřní průměr [mm] | 203 mm |
| Vnější průměr [mm] | 247 mm |
| Centrovací průměr [mm] | 56 mm |
| Doplňující výrobek/info 2 | s ABS senzorem |
| Doplňující výrobek/info 2 | s ložiskem (kola) |
Dostupnost
| montovaná strana | Zadní náprava |
|---|---|
| Hmotnost [kg] | 6,95 kg |
| Výška brzdového bubnu vnitřní [mm] | 47 mm |
| Kruhový vyvrt O 2 [mm] | 108 mm |
| Doplňující výrobek/info 2 | s ABS senzorem |
| Doplňující výrobek/info 2 | s integrovaným ložiskem |
| průměr náboje [mm] | 52 mm |
| Vnitřní průměr brzdového bubnu [mm] | 203 mm |
| Počet upevňovacích otvorů | 4 |
Dostupnost