CITROËN XSARA Break (N2) 1.6 i - Brzdový buben od 10/1997 do 9/2000, 1587 ccm, 65 kW, 88 hp, NFZ (TU5JP), kombi
| Počet děr ráfku kola | 4 -díra |
|---|---|
| montovaná strana | Zadní náprava |
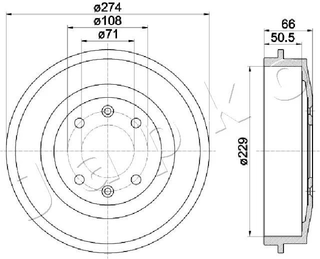
| Průměr bubnu [mm] | 274 mm |
| Výška brzdového bubnu celková [mm] | 66,1 mm |
| Centrovací průměr [mm] | 71 mm |
| Šířka třecích ploch [mm] | 50,1 mm |
| Vnitřní průměr brzdového bubnu [mm] | 228,6 mm |
Dostupnost
| Rok výroby od | 04/1998 |
|---|---|
| montovaná strana | Zadní náprava |
| Vnější průměr brzdového bubnu [mm] | 274 mm |
| Výška brzdového bubnu vnitřní [mm] | 50 mm |
| Počet děr | 4 |
| celková výška [mm] | 66 mm |
| Vnitřní průměr brzdového bubnu [mm] | 229 mm |
Dostupnost
| Rok výroby od | 05/1998 |
|---|---|
| montovaná strana | Zadní náprava |
| Vnější průměr brzdového bubnu [mm] | 273,9 mm |
| Výška brzdového bubnu vnitřní [mm] | 50,3 mm |
| Výška brzdového bubnu celková [mm] | 65,9 mm |
| Počet děr | 6 |
| Centrovací průměr [mm] | 71,1 mm |
| Kruhový vyvrt O 2 [mm] | 108 mm |
| povrch | lakováno |
| Vnitřní průměr brzdového bubnu [mm] | 228,6 mm |
Dostupnost
| montovaná strana | Zadní náprava |
|---|---|
| Počet děr ráfku kola | 4 -díra |
| Výška [mm] | 66,0 mm |
| Průměr bubnu [mm] | 229 mm |
| Počet děr | 4 |
| Centrovací průměr [mm] | 71,0 mm |
| Číslo produkce | 6065500 |
Dostupnost
| montovaná strana | Zadní náprava |
|---|---|
| Hmotnost [kg] | 5,1 kg |
| Vnější průměr brzdového bubnu [mm] | 212 mm |
| Výška brzdového bubnu vnitřní [mm] | 45 mm |
| Výška brzdového bubnu celková [mm] | 81 mm |
| Počet děr v brzdovém bubnu | 04/04 |
| Centrovací průměr [mm] | 51,9 mm |
| Kruhový vyvrt O 2 [mm] | 108 mm |
| Doplňující výrobek/info 2 | bez ložiska (kola) |
| Doplňující výrobek/info 2 | bez šroubů vozidlového kola |
| Doplňující výrobek/info 2 | s nábojem kola |
| Číslo technické informace | 62507 |
| Vnitřní průměr brzdového bubnu [mm] | 180 mm |
| Průměr díry pro šroub kola [mm] | 12 mm |
Dostupnost
| montovaná strana | Zadní náprava |
|---|---|
| Hmotnost [kg] | 5,5 kg |
| Vnější průměr brzdového bubnu [mm] | 212 mm |
| Výška brzdového bubnu vnitřní [mm] | 45 mm |
| Výška brzdového bubnu celková [mm] | 81 mm |
| Počet děr v brzdovém bubnu | 04/04 |
| Centrovací průměr [mm] | 51,9 mm |
| Kruhový vyvrt O 2 [mm] | 108 mm |
| Doplňující výrobek/info 2 | bez šroubů vozidlového kola |
| Doplňující výrobek/info 2 | s ložiskem (kola) |
| Doplňující výrobek/info 2 | s nábojem kola |
| Číslo technické informace | 61422 |
| Vnitřní průměr brzdového bubnu [mm] | 180 mm |
| Průměr čepu nápravy [mm] | 25 mm |
| Průměr díry pro šroub kola [mm] | 12 mm |
Dostupnost
| Rok výroby od | 05/1998 |
|---|---|
| Brzdy / jízdní dynamika | pro ABS |
| montovaná strana | Zadní náprava |
| Výška [mm] | 65,9 mm |
| Hmotnost [kg] | 6,1 kg |
| Velikost závitu | 13 |
| vnitřní průměr [mm] | 228,5 mm |
| Počet děr | 4 |
| Centrovací průměr [mm] | 71,1 mm |
| Kruhový vyvrt O 2 [mm] | 108 mm |
Dostupnost
| Rok výroby od | 05/1998 |
|---|---|
| montovaná strana | Zadní náprava |
| Brzdy / jízdní dynamika | pro ABS |
| Průměr bubnu [mm] | 228,5 mm |
| Vnější průměr brzdového bubnu [mm] | 253 mm |
| Výška brzdového bubnu celková [mm] | 66,4 mm |
| Počet děr | 4 |
| Centrovací průměr [mm] | 71 mm |
Dostupnost
| Rok výroby od | 03/1998 |
|---|---|
| Konstrukční rok do | 08/2000 |
| montovaná strana | Zadní náprava |
| Hmotnost [kg] | 5,92 kg |
| Výška brzdového bubnu vnitřní [mm] | 51 mm |
| Kruhový vyvrt O 2 [mm] | 108 mm |
| Vnitřní průměr brzdového bubnu [mm] | 229 mm |
| Počet upevňovacích otvorů | 4 |
Dostupnost
| montovaná strana | Zadní náprava |
|---|---|
| Výška brzdového bubnu vnitřní [mm] | 51 mm |
| Počet děr | 4 |
| Kruhový vyvrt O 2 [mm] | 108 mm |
| Vnitřní průměr brzdového bubnu [mm] | 229 mm |
Dostupnost
| Rok výroby od | 05/1998 |
|---|---|
| montovaná strana | Zadní náprava |
| Výška brzdového bubnu vnitřní [mm] | 50,5 mm |
| Výška brzdového bubnu celková [mm] | 66 mm |
| Počet děr | 4 |
| Vnitřní průměr brzdového bubnu [mm] | 229 mm |
Dostupnost
| montovaná strana | Zadní náprava |
|---|---|
| Hmotnost [kg] | 5,1 kg |
| Vnější průměr brzdového bubnu [mm] | 212 mm |
| Výška brzdového bubnu vnitřní [mm] | 45 mm |
| Výška brzdového bubnu celková [mm] | 81 mm |
| Počet děr v brzdovém bubnu | 04/04 |
| Centrovací průměr [mm] | 51,9 mm |
| Kruhový vyvrt O 2 [mm] | 108 mm |
| Doplňující výrobek/info 2 | bez ložiska (kola) |
| Doplňující výrobek/info 2 | bez šroubů vozidlového kola |
| Doplňující výrobek/info 2 | s nábojem kola |
| Vnitřní průměr brzdového bubnu [mm] | 180 mm |
| Průměr díry pro šroub kola [mm] | 12 mm |
Dostupnost
| montovaná strana | Zadní náprava |
|---|---|
| Hmotnost [kg] | 5,5 kg |
| Vnější průměr brzdového bubnu [mm] | 212 mm |
| Výška brzdového bubnu vnitřní [mm] | 45 mm |
| Výška brzdového bubnu celková [mm] | 81 mm |
| Počet děr v brzdovém bubnu | 04/04 |
| Centrovací průměr [mm] | 51,9 mm |
| Kruhový vyvrt O 2 [mm] | 108 mm |
| Doplňující výrobek/info 2 | bez šroubů vozidlového kola |
| Doplňující výrobek/info 2 | s ložiskem (kola) |
| Doplňující výrobek/info 2 | s nábojem kola |
| Vnitřní průměr brzdového bubnu [mm] | 180 mm |
| Průměr čepu nápravy [mm] | 25 mm |
| Průměr díry pro šroub kola [mm] | 12 mm |
Dostupnost
| montovaná strana | Zadní náprava |
|---|---|
| Výška brzdového bubnu vnitřní [mm] | 50,5 mm |
| Výška brzdového bubnu celková [mm] | 66 mm |
| Počet děr | 4 |
| Vnitřní průměr brzdového bubnu [mm] | 229 mm |
Dostupnost
| Konstrukční rok do | 08/2000 |
|---|---|
| montovaná strana | Zadní náprava |
| Zkušební značka | ECE R90 |
| Vnější průměr brzdového bubnu [mm] | 274 mm |
| Výška brzdového bubnu vnitřní [mm] | 50 mm |
| Výška brzdového bubnu celková [mm] | 66 mm |
| Počet děr | 4 |
| Kruhový vyvrt O 2 [mm] | 108 mm |
| vyměňovat pouze v páru | Ano |
| Vnitřní průměr brzdového bubnu [mm] | 229 mm |
Dostupnost
| Rok výroby od | 05/1998 |
|---|---|
| montovaná strana | Zadní náprava |
| Vnější průměr brzdového bubnu [mm] | 273,9 mm |
| Výška brzdového bubnu vnitřní [mm] | 50,3 mm |
| Výška brzdového bubnu celková [mm] | 65,9 mm |
| Počet děr | 6 |
| Centrovací průměr [mm] | 71,1 mm |
| Kruhový vyvrt O 2 [mm] | 108 mm |
| povrch | lakováno |
| Vnitřní průměr brzdového bubnu [mm] | 228,6 mm |
Dostupnost