TOYOTA COROLLA (_E8_) 1.6 (AE82) - Kloub / sada od 8/1985 do 8/1987, 1587 ccm, 53 kW, 72 hp, 4A-LC, limuzína
| montovaná strana | strana kola |
|---|---|
| Vnější ozubení strana kola | 26 |
| vnitřní ozubení,strana kola | 23 |
| Průměr těsnicího kroužku [mm] | 56 mm |
| Celková délka [mm] | 152 mm |
| Vnější závit [mm] | 22 X 1,5 mm |
| délka 1 [mm] | 96,5 mm |
| specifikace | Groove type: INNER |
Dostupnost
| Typ převodovky | manuální převodovka |
|---|---|
| montovaná strana | strana kola |
| Délka [mm] | 151,5 mm |
| Velikost závitu | M22X1,5 |
| Vnější ozubení strana kola | 26 |
| vnitřní ozubení,strana kola | 23 |
| Průměr těsnicího kroužku [mm] | 56 mm |
| Číslo technické informace | Groove Type Inner |
Dostupnost
| Typ převodovky | manuální převodovka |
|---|---|
| montovaná strana | pravá přední náprava |
| Délka [mm] | 151 mm |
| Velikost závitu | M19x1.5 |
| Vnější ozubení strana kola | 26 |
| vnitřní ozubení,strana kola | 23 |
| Průměr těsnicího kroužku [mm] | 56 mm |
| druh kloubu | synchronní kloub |
| Doplňkový výrobek/ doplňkové info | s tukem |
| mechanicky obrobeno | se zápichem ve vnitřní části |
| Doplňující výrobek/info 2 | s korunovou maticí |
| Průměr kloubu [mm] | 82 mm |
| nový díl | Ano |
| Materiál vlnovce | NBR (Nitril-Butadien-Kautschuk) |
Dostupnost
| montovaná strana | přední osa |
|---|---|
| Brzdná/jízdní dynamika | pro vozidla bez ABS |
| Velikost závitu | M22x1,5 |
| Vnější ozubení strana kola | 26 |
| vnitřní ozubení,strana kola | 29 |
| Průměr těsnicího kroužku [mm] | 56 mm |
| Vnější průměr [mm] | 86,3 mm |
| druh kloubu | synchronní kloub |
| mechanicky obrobeno | se vstupem přes vnitřní díl (vnější) |
| Protiprachová ochrana | s protiprachovou ochranou |
Dostupnost
| montovaná strana | strana kola |
|---|---|
| Vnější ozubení strana kola | 26 |
| vnitřní ozubení,strana kola | 23 |
| Průměr příruby [mm] | 56 mm |
Dostupnost
| montovaná strana | strana kola |
|---|---|
| Vnější ozubení strana kola | 26 |
| vnitřní ozubení,strana kola | 23 |
| mechanicky obrobeno | se vstupem přes vnitřní díl (vnitřní) |
| Průměr příruby [mm] | 56 mm |
Dostupnost
| Typ převodovky | manuální převodovka |
|---|---|
| montovaná strana | pravá přední náprava |
| Délka [mm] | 151 mm |
| Velikost závitu | M19x1.5 |
| Vnější ozubení strana kola | 26 |
| vnitřní ozubení,strana kola | 23 |
| Průměr těsnicího kroužku [mm] | 56 mm |
| druh kloubu | synchronní kloub |
| Doplňkový výrobek/ doplňkové info | s tukem |
| mechanicky obrobeno | se zápichem ve vnitřní části |
| Doplňující výrobek/info 2 | s korunovou maticí |
| Průměr kloubu [mm] | 82 mm |
| nový díl | Ano |
| Materiál vlnovce | NBR (Nitril-Butadien-Kautschuk) |
Dostupnost
| montovaná strana | strana kola |
|---|---|
| Průměr v mm | 82 mm |
| Vnější ozubení strana kola | 26 |
| vnitřní ozubení,strana kola | 23 |
| Průměr těsnicího kroužku [mm] | 56 mm |
Dostupnost
| Typ převodovky | manuální převodovka |
|---|---|
| montovaná strana | strana kola |
| Velikost závitu | M19x1.5 |
| Vnější ozubení strana kola | 26 |
| vnitřní ozubení,strana kola | 23 |
| Průměr těsnicího kroužku [mm] | 56 mm |
| Vnější průměr [mm] | 82 mm |
| Materiál vlnovce | Guma |
Dostupnost
| montovaná strana | strana kola |
|---|---|
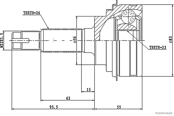
| Délka [mm] | 55 mm |
| Vnější ozubení strana kola | 26 |
| Vnější ozubení strana diferenciálu | 23 |
| vnitřní ozubení,strana kola | 23 |
| Průměr těsnicího kroužku [mm] | 56 mm |
Dostupnost
| Typ převodovky | manuální převodovka |
|---|---|
| montovaná strana | pravá přední náprava |
| Délka [mm] | 150 mm |
| Vnější ozubení strana kola | 26 |
| vnitřní ozubení,strana kola | 23 |
| Průměr těsnicího kroužku [mm] | 56 mm |
| druh kloubu | synchronní kloub |
| mechanicky obrobeno | se vstupem přes vnitřní díl (vnitřní) |
| Průměr kloubu [mm] | 83 mm |
Dostupnost
| montovaná strana | strana kola |
|---|---|
| Průměr v mm | 82 mm |
| Délka [mm] | 151 mm |
| Velikost závitu | M19 |
| Vnější ozubení strana kola | 26 |
| vnitřní ozubení,strana kola | 24 |
| Průměr těsnicího kroužku [mm] | 56 mm |
Dostupnost
| montovaná strana | strana kola |
|---|---|
| Vnější ozubení strana kola | 26 |
| vnitřní ozubení,strana kola | 23 |
| Průměr těsnicího kroužku [mm] | 56 mm |
| Celková délka [mm] | 152 mm |
| Vnější závit [mm] | 22 X 1,5 mm |
| délka 1 [mm] | 96,5 mm |
| specifikace | Groove type: INNER |
Dostupnost
| montovaná strana | přední osa |
|---|---|
| Vnější ozubení strana kola | 26 |
| vnitřní ozubení,strana kola | 23 |
| Průměr těsnicího kroužku [mm] | 56 mm |
| druh kloubu | synchronní kloub |
Dostupnost
| Typ převodovky | manuální převodovka |
|---|---|
| montovaná strana | strana kola |
| Vnější ozubení strana kola | 26 |
| vnitřní ozubení,strana kola | 23 |
| Průměr těsnicího kroužku [mm] | 56 mm |
| Vnější průměr [mm] | 82 mm |
Dostupnost
| montovaná strana | strana kola |
|---|---|
| Délka [mm] | 152 mm |
| Vnější ozubení strana kola | 26 |
| vnitřní ozubení,strana kola | 23 |
| Průměr těsnicího kroužku [mm] | 56 mm |
| mechanicky obrobeno | se vstupem přes vnitřní díl (vnitřní) |
| Doplňující výrobek/info 2 | s drážkou |
Dostupnost
| montovaná strana | strana kola |
|---|---|
| Délka [mm] | 158 mm |
| Vnější ozubení strana kola | 26 |
| vnitřní ozubení,strana kola | 29 |
| Průměr těsnicího kroužku [mm] | 56 mm |
| mechanicky obrobeno | se vstupem přes vnitřní díl (vnější) |
| Doplňující výrobek/info 2 | s drážkou |
Dostupnost
| montovaná strana | přední osa |
|---|---|
| montovaná strana | strana kola |
| Délka [mm] | 151,5 mm |
| Vnější ozubení strana kola | 26 |
| vnitřní ozubení,strana kola | 23 |
| Průměr těsnicího kroužku [mm] | 56 mm |
| specifikace | GrooveType:Inner |
Dostupnost
| montovaná strana | strana kola |
|---|---|
| Délka [mm] | 158 mm |
| Vnější ozubení strana kola | 26 |
| vnitřní ozubení,strana kola | 29 |
| Průměr těsnicího kroužku [mm] | 56 mm |
| specifikace | GrooveType:Outer |
Dostupnost
| Typ převodovky | manuální převodovka |
|---|---|
| montovaná strana | strana kola |
| Velikost závitu | M19x1.5 |
| Vnější ozubení strana kola | 26 |
| vnitřní ozubení,strana kola | 23 |
| Průměr těsnicího kroužku [mm] | 56 mm |
| Vnější průměr [mm] | 82 mm |
| Materiál vlnovce | Guma |
Dostupnost