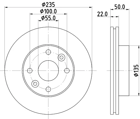
KIA RIO I limuzína (DC_) 1.5 16V - Brzdový kotouč/příslušenství od 9/2000 do 2/2005, 1493 ccm, 72 kW, 98 hp, A5D, limuzína
| montovaná strana | přední osa |
|---|---|
| Výška [mm] | 45,2 mm |
| typ brzdového kotouče | větráno |
| Síla brzdového kotouče [mm] | 22 mm |
| Vnější průměr [mm] | 235 mm |
| Počet děr | 4 |
| Centrovací průměr [mm] | 55 mm |
| celková výška [mm] | 45 mm |
| Kruhový vyvrt O 2 [mm] | 100 mm |
Dostupnost
| montovaná strana | přední osa |
|---|---|
| Výška [mm] | 45,1 mm |
| typ brzdového kotouče | větráno |
| Síla brzdového kotouče [mm] | 22 mm |
| Vnější průměr [mm] | 235 mm |
| Počet děr | 4 |
| Centrovací průměr [mm] | 55 mm |
Dostupnost
| montovaná strana | přední osa |
|---|---|
| Výška [mm] | 50,7 mm |
| typ brzdového kotouče | větráno |
| Síla brzdového kotouče [mm] | 24 mm |
| Vnější průměr [mm] | 254 mm |
| Počet děr | 4 |
| Centrovací průměr [mm] | 55 mm |
Dostupnost
| montovaná strana | přední osa |
|---|---|
| Výška [mm] | 50 mm |
| typ brzdového kotouče | větráno |
| Síla brzdového kotouče [mm] | 22 mm |
| Vnější průměr [mm] | 235 mm |
| Počet děr | 4 |
| Centrovací průměr [mm] | 55 mm |
Dostupnost
| Konstrukční rok do | 08/2002 |
|---|---|
| montovaná strana | přední osa |
| Výška [mm] | 45 mm |
| Hmotnost [kg] | 4,4 kg |
| typ brzdového kotouče | vnitřně větráno |
| Síla brzdového kotouče [mm] | 22 mm |
| Počet děr v brzdovém bubnu | 04/06 |
| vnitřní průměr [mm] | 124,6 mm |
| Vnější průměr [mm] | 235 mm |
| Centrovací průměr [mm] | 55 mm |
| Kruhový vyvrt O 2 [mm] | 100 mm |
| Doplňující výrobek/info 2 | bez ložiska (kola) |
| Doplňující výrobek/info 2 | bez náboje kola |
| Doplňující výrobek/info 2 | bez šroubů vozidlového kola |
| Číslo technické informace | 54342 |
| Průměr díry pro šroub kola [mm] | 13 mm |
Dostupnost
| Rok výroby od | 08/2002 |
|---|---|
| montovaná strana | přední osa |
| Provedení pro zemi | Evropa |
| Výška [mm] | 50,7 mm |
| Hmotnost [kg] | 5,3 kg |
| typ brzdového kotouče | vnitřně větráno |
| Síla brzdového kotouče [mm] | 24 mm |
| Počet děr v brzdovém bubnu | 04/08 |
| vnitřní průměr [mm] | 140,7 mm |
| Vnější průměr [mm] | 254 mm |
| Centrovací průměr [mm] | 55 mm |
| Kruhový vyvrt O 2 [mm] | 100 mm |
| Doplňující výrobek/info 2 | bez ložiska (kola) |
| Doplňující výrobek/info 2 | bez náboje kola |
| Doplňující výrobek/info 2 | bez šroubů vozidlového kola |
| Číslo technické informace | 54470 |
| Průměr díry pro šroub kola [mm] | 13 mm |
Dostupnost
| Rok výroby od | 08/2002 |
|---|---|
| montovaná strana | přední osa |
| Není určeno pro terénní provedení | Evropa |
| Výška [mm] | 50 mm |
| Hmotnost [kg] | 4,6 kg |
| typ brzdového kotouče | vnitřně větráno |
| Síla brzdového kotouče [mm] | 22 mm |
| Počet děr v brzdovém bubnu | 04/06 |
| vnitřní průměr [mm] | 125 mm |
| Vnější průměr [mm] | 235 mm |
| Centrovací průměr [mm] | 55 mm |
| Kruhový vyvrt O 2 [mm] | 100 mm |
| povrch | nátěr |
| Doplňující výrobek/info 2 | bez ložiska (kola) |
| Doplňující výrobek/info 2 | bez náboje kola |
| Doplňující výrobek/info 2 | bez šroubů vozidlového kola |
| Číslo technické informace | 55882PRO |
| Průměr díry pro šroub kola [mm] | 13 mm |
Dostupnost
| Konstrukční rok do | 07/2002 |
|---|---|
| montovaná strana | přední osa |
| Výška [mm] | 45 mm |
| Hmotnost [kg] | 4 kg |
| typ brzdového kotouče | větráno |
| Síla brzdového kotouče [mm] | 22 mm |
| Velikost závitu | 13 |
| vnitřní průměr [mm] | 124,5 mm |
| Vnější průměr [mm] | 235 mm |
| Počet děr | 4 |
| Centrovací průměr [mm] | 55 mm |
| Kruhový vyvrt O 2 [mm] | 100 mm |
Dostupnost
| Konstrukční rok do | 07/2002 |
|---|---|
| montovaná strana | přední osa |
| Výška [mm] | 45 mm |
| Hmotnost [kg] | 4 kg |
| typ brzdového kotouče | větráno |
| Síla brzdového kotouče [mm] | 22 mm |
| Velikost závitu | 13 |
| vnitřní průměr [mm] | 124,5 mm |
| Vnější průměr [mm] | 235 mm |
| Počet děr | 4 |
| Centrovací průměr [mm] | 55 mm |
| Kruhový vyvrt O 2 [mm] | 100 mm |
| povrch | galvanizováno |
Dostupnost
| Konstrukční rok do | 07/2002 |
|---|---|
| montovaná strana | přední osa |
| Výška [mm] | 45 mm |
| Hmotnost [kg] | 4 kg |
| typ brzdového kotouče | větráno |
| Síla brzdového kotouče [mm] | 22 mm |
| Velikost závitu | 13 |
| vnitřní průměr [mm] | 124,5 mm |
| Vnější průměr [mm] | 235 mm |
| Počet děr | 4 |
| Centrovací průměr [mm] | 55 mm |
| Kruhový vyvrt O 2 [mm] | 100 mm |
| povrch | galvanizováno |
Dostupnost
| Konstrukční rok do | 07/2002 |
|---|---|
| montovaná strana | přední osa |
| Výška [mm] | 45 mm |
| Hmotnost [kg] | 4 kg |
| typ brzdového kotouče | větráno |
| Síla brzdového kotouče [mm] | 22 mm |
| Velikost závitu | 13 |
| vnitřní průměr [mm] | 124,5 mm |
| Vnější průměr [mm] | 235 mm |
| Počet děr | 4 |
| Centrovací průměr [mm] | 55 mm |
| Kruhový vyvrt O 2 [mm] | 100 mm |
| povrch | galvanizováno |
Dostupnost
| Konstrukční rok do | 07/2002 |
|---|---|
| montovaná strana | přední osa |
| Výška [mm] | 45 mm |
| Hmotnost [kg] | 4 kg |
| typ brzdového kotouče | větráno |
| Síla brzdového kotouče [mm] | 22 mm |
| Velikost závitu | 13 |
| vnitřní průměr [mm] | 124,5 mm |
| Vnější průměr [mm] | 235 mm |
| Počet děr | 4 |
| Centrovací průměr [mm] | 55 mm |
| Kruhový vyvrt O 2 [mm] | 100 mm |
| povrch | galvanizováno |
Dostupnost
| Konstrukční rok do | 07/2002 |
|---|---|
| montovaná strana | přední osa |
| Výška [mm] | 45 mm |
| Hmotnost [kg] | 4 kg |
| typ brzdového kotouče | větráno |
| Síla brzdového kotouče [mm] | 22 mm |
| Velikost závitu | 13 |
| vnitřní průměr [mm] | 124,5 mm |
| Vnější průměr [mm] | 235 mm |
| Počet děr | 4 |
| Centrovací průměr [mm] | 55 mm |
| Kruhový vyvrt O 2 [mm] | 100 mm |
| povrch | galvanizováno |
Dostupnost
| Rok výroby od | 08/2002 |
|---|---|
| montovaná strana | přední osa |
| Výška [mm] | 50,7 mm |
| Hmotnost [kg] | 5,2 kg |
| typ brzdového kotouče | větráno |
| Síla brzdového kotouče [mm] | 24 mm |
| Velikost závitu | 13 |
| vnitřní průměr [mm] | 141 mm |
| Vnější průměr [mm] | 254 mm |
| Počet děr | 4 |
| Centrovací průměr [mm] | 55 mm |
| Kruhový vyvrt O 2 [mm] | 100 mm |
Dostupnost
| Rok výroby od | 08/2002 |
|---|---|
| montovaná strana | přední osa |
| Výška [mm] | 50,7 mm |
| Hmotnost [kg] | 5,2 kg |
| typ brzdového kotouče | větráno |
| Síla brzdového kotouče [mm] | 24 mm |
| Velikost závitu | 13 |
| vnitřní průměr [mm] | 141 mm |
| Vnější průměr [mm] | 254 mm |
| Počet děr | 4 |
| Centrovací průměr [mm] | 55 mm |
| Kruhový vyvrt O 2 [mm] | 100 mm |
| povrch | galvanizováno |
Dostupnost
| Rok výroby od | 08/2002 |
|---|---|
| montovaná strana | přední osa |
| Výška [mm] | 50,7 mm |
| Hmotnost [kg] | 5,2 kg |
| typ brzdového kotouče | větráno |
| Síla brzdového kotouče [mm] | 24 mm |
| Velikost závitu | 13 |
| vnitřní průměr [mm] | 141 mm |
| Vnější průměr [mm] | 254 mm |
| Počet děr | 4 |
| Centrovací průměr [mm] | 55 mm |
| Kruhový vyvrt O 2 [mm] | 100 mm |
| povrch | galvanizováno |
Dostupnost
| Rok výroby od | 08/2002 |
|---|---|
| montovaná strana | přední osa |
| Výška [mm] | 50,7 mm |
| Hmotnost [kg] | 5,2 kg |
| typ brzdového kotouče | větráno |
| Síla brzdového kotouče [mm] | 24 mm |
| Velikost závitu | 13 |
| vnitřní průměr [mm] | 141 mm |
| Vnější průměr [mm] | 254 mm |
| Počet děr | 4 |
| Centrovací průměr [mm] | 55 mm |
| Kruhový vyvrt O 2 [mm] | 100 mm |
| povrch | galvanizováno |
Dostupnost
| Rok výroby od | 08/2002 |
|---|---|
| montovaná strana | přední osa |
| Výška [mm] | 50,7 mm |
| Hmotnost [kg] | 5,2 kg |
| typ brzdového kotouče | větráno |
| Síla brzdového kotouče [mm] | 24 mm |
| Velikost závitu | 13 |
| vnitřní průměr [mm] | 141 mm |
| Vnější průměr [mm] | 254 mm |
| Počet děr | 4 |
| Centrovací průměr [mm] | 55 mm |
| Kruhový vyvrt O 2 [mm] | 100 mm |
| povrch | galvanizováno |
Dostupnost
| Rok výroby od | 08/2002 |
|---|---|
| montovaná strana | přední osa |
| Výška [mm] | 50,7 mm |
| Hmotnost [kg] | 5,2 kg |
| typ brzdového kotouče | větráno |
| Síla brzdového kotouče [mm] | 24 mm |
| Velikost závitu | 13 |
| vnitřní průměr [mm] | 141 mm |
| Vnější průměr [mm] | 254 mm |
| Počet děr | 4 |
| Centrovací průměr [mm] | 55 mm |
| Kruhový vyvrt O 2 [mm] | 100 mm |
| povrch | galvanizováno |
Dostupnost
| Rok výroby od | 08/2002 |
|---|---|
| Není určeno pro terénní provedení | Evropa |
| montovaná strana | přední osa |
| Výška [mm] | 50 mm |
| Hmotnost [kg] | 4,5 kg |
| typ brzdového kotouče | větráno |
| Síla brzdového kotouče [mm] | 22 mm |
| Velikost závitu | 13 |
| vnitřní průměr [mm] | 123,7 mm |
| Vnější průměr [mm] | 235 mm |
| Počet děr | 4 |
| Centrovací průměr [mm] | 55 mm |
| Kruhový vyvrt O 2 [mm] | 100 mm |
Dostupnost