MERCEDES-BENZ E-CLASS T-Model (S211) E 350 T (211.256) - Brzdový kotouč/příslušenství od 3/2005 do 7/2009, 3498 ccm, 200 kW, 272 hp, M 272.964, kombi
montovaná strana | Zadní náprava |
---|---|
Výška [mm] | 68,4 mm |
typ brzdového kotouče | vnitřně větráno |
Síla brzdového kotouče [mm] | 22,2 mm |
Počet děr v brzdovém bubnu | 6/5 |
Vnější průměr [mm] | 300 mm |
Centrovací průměr [mm] | 67 mm |
Dostupnost
montovaná strana | přední osa |
---|---|
Výška [mm] | 64,5 mm |
typ brzdového kotouče | děrováno / vnitřně větráno |
Síla brzdového kotouče [mm] | 32 mm |
Počet děr v brzdovém bubnu | 6/5 |
Vnější průměr [mm] | 330 mm |
Centrovací průměr [mm] | 67 mm |
Dostupnost
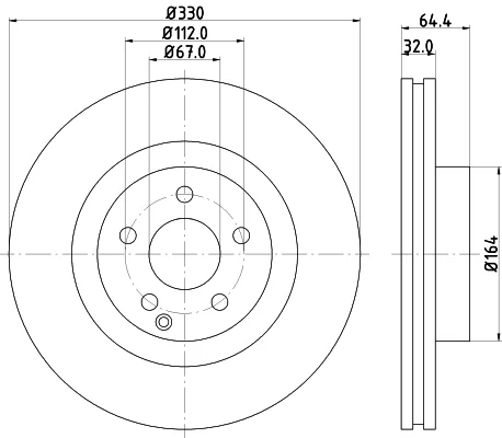
montovaná strana | přední osa |
---|---|
Výška [mm] | 64,5 mm |
typ brzdového kotouče | vnitřně větráno |
Síla brzdového kotouče [mm] | 32 mm |
Počet děr v brzdovém bubnu | 6/5 |
Vnější průměr [mm] | 330 mm |
Centrovací průměr [mm] | 67 mm |
Dostupnost
Konstrukční rok do | 06/2006 |
---|---|
montovaná strana | přední osa |
Výška [mm] | 64,5 mm |
typ brzdového kotouče | větráno |
Síla brzdového kotouče [mm] | 28 mm |
Vnější průměr [mm] | 312 mm |
Počet děr | 5 |
Centrovací průměr [mm] | 67 mm |
povrch | nátěr |
Jednotka množství | Sada |
Počet upevňovacích otvorů | 1 |
Dostupnost
Konstrukční rok do | 06/2006 |
---|---|
montovaná strana | Zadní náprava |
Výška [mm] | 65,6 mm |
typ brzdového kotouče | větráno |
Síla brzdového kotouče [mm] | 22 mm |
Vnější průměr [mm] | 300 mm |
Počet děr | 5 |
Centrovací průměr [mm] | 67 mm |
povrch | nátěr |
Jednotka množství | Sada |
Počet upevňovacích otvorů | 1 |
Dostupnost
Konstrukční rok do | 06/2006 |
---|---|
montovaná strana | přední osa |
Vybavení vozidla | pro vozidla se sportpaketem |
Výška [mm] | 64,5 mm |
typ brzdového kotouče | děrováno / vnitřně větráno |
Síla brzdového kotouče [mm] | 32 mm |
Vnější průměr [mm] | 330 mm |
Počet děr | 5 |
Centrovací průměr [mm] | 67 mm |
Množství | 1 |
povrch | nátěr |
Počet upevňovacích otvorů | 1 |
Dostupnost
Vybavení vozidla | pro vozidla bez sportpaketu |
---|---|
montovaná strana | přední osa |
Výška [mm] | 64,5 mm |
typ brzdového kotouče | větráno |
Síla brzdového kotouče [mm] | 28 mm |
Vnější průměr [mm] | 312 mm |
Počet děr | 5 |
Utahovací moment [Nm] | 130 Nm |
povrch | lakováno |
Dostupnost
montovaná strana | přední osa |
---|---|
Výška [mm] | 64,5 mm |
typ brzdového kotouče | větráno |
Síla brzdového kotouče [mm] | 32 mm |
Vnější průměr [mm] | 330 mm |
Počet děr | 5 |
Utahovací moment [Nm] | 130 Nm |
povrch | lakováno |
Dostupnost
montovaná strana | Zadní náprava |
---|---|
Výška [mm] | 68 mm |
typ brzdového kotouče | větráno |
Síla brzdového kotouče [mm] | 22 mm |
Vnější průměr [mm] | 300 mm |
Počet děr | 5 |
Utahovací moment [Nm] | 130 Nm |
povrch | lakováno |
Dostupnost
Číslo podvozku (VIN) od | A970951 |
---|---|
Provedení pro zemi | USA |
montovaná strana | přední osa |
Výška [mm] | 54,5 mm |
Hmotnost [kg] | 16,4 kg |
typ brzdového kotouče | větráno |
Síla brzdového kotouče [mm] | 28 mm |
Vnější průměr [mm] | 296 mm |
Počet děr | 5 |
Centrovací průměr [mm] | 67 mm |
Kruhový vyvrt O 2 [mm] | 112 mm |
povrch | lakováno |
Dostupnost
montovaná strana | Zadní náprava |
---|---|
Výška [mm] | 68 mm |
typ brzdového kotouče | vnitřně větráno |
Síla brzdového kotouče [mm] | 22 mm |
Vnější průměr [mm] | 300 mm |
Centrovací průměr [mm] | 67 mm |
Číslo produkce | K6051110 |
Dostupnost
Číslo podvozku (VIN) od | A970951 |
---|---|
montovaná strana | přední osa |
Provedení pro zemi | USA |
Výška [mm] | 54,5 mm |
Hmotnost [kg] | 8,2 kg |
typ brzdového kotouče | vnitřně větráno |
Síla brzdového kotouče [mm] | 28 mm |
Počet děr v brzdovém bubnu | 05/06 |
vnitřní průměr [mm] | 154,2 mm |
Vnější průměr [mm] | 295 mm |
Centrovací průměr [mm] | 67 mm |
Kruhový vyvrt O 2 [mm] | 112 mm |
povrch | nátěr |
Doplňující výrobek/info 2 | bez ložiska (kola) |
Doplňující výrobek/info 2 | bez náboje kola |
Doplňující výrobek/info 2 | bez šroubů vozidlového kola |
Číslo technické informace | 54152PRO |
Průměr díry pro šroub kola [mm] | 15,3 mm |
Dostupnost
oddělení bloku | Ano |
---|---|
Číslo podvozku (VIN) do | A870951 |
montovaná strana | přední osa |
Provedení pro zemi | USA |
Výška [mm] | 64,6 mm |
Hmotnost [kg] | 8,7 kg |
typ brzdového kotouče | vnitřně větráno |
Síla brzdového kotouče [mm] | 28 mm |
Počet děr v brzdovém bubnu | 05/06 |
vnitřní průměr [mm] | 154 mm |
Vnější průměr [mm] | 312 mm |
Centrovací průměr [mm] | 67 mm |
Kruhový vyvrt O 2 [mm] | 112 mm |
povrch | nátěr |
Doplňující výrobek/info 2 | bez ložiska (kola) |
Doplňující výrobek/info 2 | bez náboje kola |
Doplňující výrobek/info 2 | bez šroubů vozidlového kola |
Číslo technické informace | 54153PRO |
Průměr díry pro šroub kola [mm] | 15,2 mm |
Dostupnost
montovaná strana | Zadní náprava |
---|---|
Výška [mm] | 68,2 mm |
Hmotnost [kg] | 7 kg |
typ brzdového kotouče | vnitřně větráno |
Síla brzdového kotouče [mm] | 22 mm |
Počet děr v brzdovém bubnu | 05/06 |
vnitřní průměr [mm] | 180 mm |
Vnější průměr [mm] | 300 mm |
Centrovací průměr [mm] | 67 mm |
Kruhový vyvrt O 2 [mm] | 112 mm |
povrch | nátěr |
Doplňující výrobek/info 2 | bez ložiska (kola) |
Doplňující výrobek/info 2 | bez náboje kola |
Doplňující výrobek/info 2 | bez šroubů vozidlového kola |
Číslo technické informace | 54155PRO |
Průměr díry pro šroub kola [mm] | 15,3 mm |
Dostupnost
montovaná strana | přední osa |
---|---|
Vybavení vozidla | pro vozidla bez AMG - sportovní paket |
Není určeno pro terénní provedení | USA |
Výška [mm] | 64,4 mm |
Hmotnost [kg] | 10,8 kg |
typ brzdového kotouče | vnitřně větráno |
Síla brzdového kotouče [mm] | 32 mm |
Počet děr v brzdovém bubnu | 05/06 |
vnitřní průměr [mm] | 154,4 mm |
Vnější průměr [mm] | 330 mm |
Centrovací průměr [mm] | 67 mm |
Kruhový vyvrt O 2 [mm] | 112 mm |
povrch | nátěr |
Doplňující výrobek/info 2 | bez ložiska (kola) |
Doplňující výrobek/info 2 | bez náboje kola |
Doplňující výrobek/info 2 | bez šroubů vozidlového kola |
Číslo technické informace | 54199PRO |
Průměr díry pro šroub kola [mm] | 15,3 mm |
Dostupnost
montovaná strana | přední osa |
---|---|
Vybavení vozidla | pro vozidla s AMG-Sportpaket |
Výška [mm] | 64,5 mm |
Hmotnost [kg] | 10,8 kg |
typ brzdového kotouče | děrovaný |
typ brzdového kotouče | vnitřně větráno |
Síla brzdového kotouče [mm] | 32 mm |
Počet děr v brzdovém bubnu | 05/06 |
vnitřní průměr [mm] | 154,2 mm |
Vnější průměr [mm] | 330 mm |
Centrovací průměr [mm] | 67 mm |
Kruhový vyvrt O 2 [mm] | 112 mm |
povrch | nátěr |
Doplňující výrobek/info 2 | bez ložiska (kola) |
Doplňující výrobek/info 2 | bez náboje kola |
Doplňující výrobek/info 2 | bez šroubů vozidlového kola |
Číslo technické informace | 54202PRO |
Průměr díry pro šroub kola [mm] | 15,3 mm |
Dostupnost
oddělení bloku | Ano |
---|---|
Číslo podvozku (VIN) do | A870951 |
montovaná strana | přední osa |
Provedení pro zemi | USA |
Výška [mm] | 64,6 mm |
Hmotnost [kg] | 8,7 kg |
typ brzdového kotouče | vnitřně větráno |
Síla brzdového kotouče [mm] | 28 mm |
Počet děr v brzdovém bubnu | 05/06 |
Zpracování | vysoce nauhličeno |
vnitřní průměr [mm] | 154 mm |
Vnější průměr [mm] | 312 mm |
Centrovací průměr [mm] | 67 mm |
Kruhový vyvrt O 2 [mm] | 112 mm |
povrch | nátěr |
Doplňující výrobek/info 2 | bez ložiska (kola) |
Doplňující výrobek/info 2 | bez náboje kola |
Doplňující výrobek/info 2 | bez šroubů vozidlového kola |
Doplňující výrobek/info 2 | se šrouby |
Číslo technické informace | 54153PRO_HC |
Průměr díry pro šroub kola [mm] | 15,2 mm |
Dostupnost
montovaná strana | přední osa |
---|---|
Vybavení vozidla | pro vozidla bez AMG - sportovní paket |
Není určeno pro terénní provedení | USA |
Výška [mm] | 64,4 mm |
Hmotnost [kg] | 10,8 kg |
typ brzdového kotouče | vnitřně větráno |
Síla brzdového kotouče [mm] | 32 mm |
Počet děr v brzdovém bubnu | 05/06 |
Zpracování | vysoce nauhličeno |
vnitřní průměr [mm] | 154,4 mm |
Vnější průměr [mm] | 330 mm |
Centrovací průměr [mm] | 67 mm |
Kruhový vyvrt O 2 [mm] | 112 mm |
povrch | nátěr |
Doplňující výrobek/info 2 | bez ložiska (kola) |
Doplňující výrobek/info 2 | bez náboje kola |
Doplňující výrobek/info 2 | bez šroubů vozidlového kola |
Číslo technické informace | 54199PRO_HC |
Průměr díry pro šroub kola [mm] | 15,3 mm |
Dostupnost
montovaná strana | Zadní náprava |
---|---|
Výška [mm] | 68,2 mm |
Hmotnost [kg] | 7 kg |
typ brzdového kotouče | vnitřně větráno |
Síla brzdového kotouče [mm] | 22 mm |
Počet děr v brzdovém bubnu | 05/06 |
Zpracování | vysoce nauhličeno |
vnitřní průměr [mm] | 180 mm |
Vnější průměr [mm] | 300 mm |
Centrovací průměr [mm] | 67 mm |
Kruhový vyvrt O 2 [mm] | 112 mm |
povrch | nátěr |
Doplňující výrobek/info 2 | bez ložiska (kola) |
Doplňující výrobek/info 2 | bez náboje kola |
Doplňující výrobek/info 2 | bez šroubů vozidlového kola |
Doplňující výrobek/info 2 | se šrouby |
Číslo technické informace | 54155PRO_HC |
Průměr díry pro šroub kola [mm] | 15,3 mm |
Dostupnost
Vybavení vozidla | pro vozidla bez sportpaketu |
---|---|
montovaná strana | přední osa |
Výška [mm] | 64,5 mm |
Hmotnost [kg] | 8,8 kg |
typ brzdového kotouče | větráno |
Síla brzdového kotouče [mm] | 28 mm |
Velikost závitu | 15,3 |
vnitřní průměr [mm] | 154,2 mm |
Vnější průměr [mm] | 312 mm |
Počet děr | 5 |
Centrovací průměr [mm] | 67 mm |
Kruhový vyvrt O 2 [mm] | 112 mm |
Dostupnost