FORD TRANSIT Krabice (T_ _) 1.6 - Brzdový kotouč/příslušenství od 10/1985 do 7/1987, 1598 ccm, 62 kW, 84 hp, L3C, Krabice
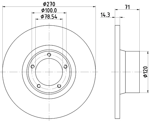
| Typ vozidla | FT100L/130/160/190 |
|---|---|
| montovaná strana | přední osa |
| Výška [mm] | 71 mm |
| typ brzdového kotouče | plný |
| Síla brzdového kotouče [mm] | 14,3 mm |
| Vnější průměr [mm] | 270 mm |
| Počet děr | 5 |
| Centrovací průměr [mm] | 79 mm |
| Utahovací moment [Nm] | 100 Nm |
Dostupnost
| Typ vozidla | FT80/100/115/120 |
|---|---|
| montovaná strana | přední osa |
| Výška [mm] | 32 mm |
| typ brzdového kotouče | plný |
| Síla brzdového kotouče [mm] | 14,3 mm |
| Vnější průměr [mm] | 254 mm |
| Počet děr | 5 |
| Centrovací průměr [mm] | 79 mm |
| Utahovací moment [Nm] | 100 Nm |
Dostupnost
| montovaná strana | přední osa |
|---|---|
| Zkušební značka | E190R-02C0190/0122 |
| Výška [mm] | 31,4 mm |
| typ brzdového kotouče | plný |
| Síla brzdového kotouče [mm] | 14,3 mm |
| Velikost závitu | M10 x 1,50 |
| Barva | černá |
| Vnější průměr [mm] | 254 mm |
| Počet děr | 5 |
| Centrovací průměr [mm] | 78,5 mm |
| Kruhový vyvrt O 2 [mm] | 100 mm |
| povrch | lakováno |
Dostupnost
| montovaná strana | přední osa |
|---|---|
| Počet děr ráfku kola | 5 -díra |
| Výška [mm] | 31,5 mm |
| Hmotnost [kg] | 5,14 kg |
| typ brzdového kotouče | plný |
| Síla brzdového kotouče [mm] | 14,3 mm |
| Vnější průměr [mm] | 254 mm |
| Kruhový vyvrt O 2 [mm] | 100 mm |
| průměr náboje [mm] | 117 mm |
Dostupnost
| Typ vozidla | FT100L |
|---|---|
| montovaná strana | přední osa |
| Výška [mm] | 71 mm |
| typ brzdového kotouče | plný |
| Síla brzdového kotouče [mm] | 14,3 mm |
| Vnější průměr [mm] | 270 mm |
| Počet děr | 5 |
| Centrovací průměr [mm] | 78 mm |
Dostupnost
| Typ vozidla | 80 |
|---|---|
| montovaná strana | přední osa |
| Výška [mm] | 32 mm |
| typ brzdového kotouče | plný |
| Síla brzdového kotouče [mm] | 14 mm |
| Vnější průměr [mm] | 254 mm |
| Počet děr | 5 |
| Centrovací průměr [mm] | 78 mm |
Dostupnost
| Typ vozidla | FT100L/130/160/190 |
|---|---|
| montovaná strana | přední osa |
| Výška [mm] | 71 mm |
| Hmotnost [kg] | 5,6 kg |
| typ brzdového kotouče | plný |
| Síla brzdového kotouče [mm] | 14,3 mm |
| Počet děr v brzdovém bubnu | 05/05 |
| vnitřní průměr [mm] | 155,5 mm |
| Vnější průměr [mm] | 270 mm |
| Centrovací průměr [mm] | 78,5 mm |
| Kruhový vyvrt O 2 [mm] | 100 mm |
| Doplňující výrobek/info 2 | bez ložiska (kola) |
| Doplňující výrobek/info 2 | bez náboje kola |
| Doplňující výrobek/info 2 | bez šroubů vozidlového kola |
| Průměr díry pro šroub kola [mm] | 10 mm |
Dostupnost
| Typ vozidla | FT80/100/115/120 |
|---|---|
| montovaná strana | přední osa |
| Výška [mm] | 31,5 mm |
| Hmotnost [kg] | 5,3 kg |
| typ brzdového kotouče | plný |
| Síla brzdového kotouče [mm] | 14,3 mm |
| Počet děr v brzdovém bubnu | 05/05 |
| vnitřní průměr [mm] | 83 mm |
| Vnější průměr [mm] | 254 mm |
| Centrovací průměr [mm] | 78,5 mm |
| Kruhový vyvrt O 2 [mm] | 100 mm |
| Doplňující výrobek/info 2 | bez ložiska (kola) |
| Doplňující výrobek/info 2 | bez náboje kola |
| Doplňující výrobek/info 2 | bez šroubů vozidlového kola |
| Průměr díry pro šroub kola [mm] | 10 mm |
Dostupnost
| Typ vozidla | FT100L/130/160/190 |
|---|---|
| montovaná strana | přední osa |
| Výška [mm] | 71 mm |
| Hmotnost [kg] | 5,6 kg |
| typ brzdového kotouče | plný |
| Síla brzdového kotouče [mm] | 14,3 mm |
| Počet děr v brzdovém bubnu | 05/05 |
| vnitřní průměr [mm] | 110 mm |
| Vnější průměr [mm] | 270 mm |
| Centrovací průměr [mm] | 78,5 mm |
| Kruhový vyvrt O 2 [mm] | 100 mm |
| Doplňující výrobek/info 2 | bez ložiska (kola) |
| Doplňující výrobek/info 2 | bez náboje kola |
| Doplňující výrobek/info 2 | bez šroubů vozidlového kola |
| Průměr díry pro šroub kola [mm] | 10 mm |
Dostupnost
| Typ vozidla | FT80/100/115/120 |
|---|---|
| montovaná strana | přední osa |
| Výška [mm] | 31,5 mm |
| Hmotnost [kg] | 5,3 kg |
| typ brzdového kotouče | plný |
| Síla brzdového kotouče [mm] | 14,3 mm |
| Počet děr v brzdovém bubnu | 05/05 |
| vnitřní průměr [mm] | 1 mm |
| Vnější průměr [mm] | 254 mm |
| Centrovací průměr [mm] | 78,5 mm |
| Kruhový vyvrt O 2 [mm] | 100 mm |
| Doplňující výrobek/info 2 | bez ložiska (kola) |
| Doplňující výrobek/info 2 | bez náboje kola |
| Doplňující výrobek/info 2 | bez šroubů vozidlového kola |
| Průměr díry pro šroub kola [mm] | 10 mm |
Dostupnost
| Typ vozidla | FT100L/130/160/190 |
|---|---|
| montovaná strana | přední osa |
| Výška [mm] | 71 mm |
| Hmotnost [kg] | 5,6 kg |
| typ brzdového kotouče | plný |
| Síla brzdového kotouče [mm] | 14,3 mm |
| Počet děr v brzdovém bubnu | 05/05 |
| vnitřní průměr [mm] | 110 mm |
| Vnější průměr [mm] | 270 mm |
| Centrovací průměr [mm] | 78,5 mm |
| Kruhový vyvrt O 2 [mm] | 100 mm |
| Doplňující výrobek/info 2 | bez ložiska (kola) |
| Doplňující výrobek/info 2 | bez náboje kola |
| Doplňující výrobek/info 2 | bez šroubů vozidlového kola |
| Průměr díry pro šroub kola [mm] | 10 mm |
Dostupnost
| Typ vozidla | FT80/100/115/120 |
|---|---|
| montovaná strana | přední osa |
| Výška [mm] | 31,5 mm |
| Hmotnost [kg] | 5,3 kg |
| typ brzdového kotouče | plný |
| Síla brzdového kotouče [mm] | 14,3 mm |
| Počet děr v brzdovém bubnu | 05/05 |
| vnitřní průměr [mm] | 1 mm |
| Vnější průměr [mm] | 254 mm |
| Centrovací průměr [mm] | 78,5 mm |
| Kruhový vyvrt O 2 [mm] | 100 mm |
| Doplňující výrobek/info 2 | bez ložiska (kola) |
| Doplňující výrobek/info 2 | bez náboje kola |
| Doplňující výrobek/info 2 | bez šroubů vozidlového kola |
| Průměr díry pro šroub kola [mm] | 10 mm |
Dostupnost
| montovaná strana | přední osa |
|---|---|
| Zkušební značka | E1 90R-02C0100/1488 |
| Výška [mm] | 31,4 mm |
| typ brzdového kotouče | plný |
| Síla brzdového kotouče [mm] | 14,3 mm |
| Vnější průměr [mm] | 254 mm |
| Počet děr | 5 |
| Centrovací průměr [mm] | 78,5 mm |
| povrch | olejováno |
Dostupnost
| montovaná strana | přední osa |
|---|---|
| Zkušební značka | ECE-R90 |
| Výška [mm] | 31,5 mm |
| typ brzdového kotouče | plný |
| Síla brzdového kotouče [mm] | 14,3 mm |
| Vnější průměr [mm] | 254,0 mm |
| Počet děr | 5 |
| Kruhový vyvrt O 2 [mm] | 78,5 mm |
Dostupnost
| montovaná strana | přední osa |
|---|---|
| Počet děr ráfku kola | 5 -díra |
| Výška [mm] | 31,5 mm |
| typ brzdového kotouče | plný |
| Síla brzdového kotouče [mm] | 14,3 mm |
| Vnější průměr [mm] | 254 mm |
| Centrovací průměr [mm] | 78,5 mm |
| povrch | olejováno |
Dostupnost
| montovaná strana | přední osa |
|---|---|
| Průměr v mm | 254 mm |
| Výška [mm] | 31,5 mm |
| Hmotnost [kg] | 5,3 kg |
| typ brzdového kotouče | plný |
| Síla brzdového kotouče [mm] | 14,3 mm |
| Vnější průměr [mm] | 254 mm |
| Počet děr | 5 |
| Centrovací průměr [mm] | 78,5 mm |
Dostupnost
| Typ vozidla | FT100L |
|---|---|
| montovaná strana | přední osa |
| Výška [mm] | 71 mm |
| typ brzdového kotouče | plný |
| Síla brzdového kotouče [mm] | 14,3 mm |
| Vnější průměr [mm] | 270 mm |
| Počet děr | 5 |
| Centrovací průměr [mm] | 78 mm |
Dostupnost
| Typ vozidla | 80 |
|---|---|
| montovaná strana | přední osa |
| Výška [mm] | 32 mm |
| typ brzdového kotouče | plný |
| Síla brzdového kotouče [mm] | 14 mm |
| Vnější průměr [mm] | 254 mm |
| Počet děr | 5 |
| Centrovací průměr [mm] | 78 mm |
Dostupnost
| Typ vozidla | FT80/100/115/120 |
|---|---|
| montovaná strana | přední osa |
| typ brzdového kotouče | plný |
| Síla brzdového kotouče [mm] | 14,5 mm |
| Vnější průměr [mm] | 254 mm |
| Počet děr | 5 |
| povrch | nátěr |
Dostupnost
| montovaná strana | přední osa |
|---|---|
| Zkušební značka | ECE-R90 |
| Výška [mm] | 31,5 mm |
| typ brzdového kotouče | plný |
| Síla brzdového kotouče [mm] | 14,3 mm |
| Vnější průměr [mm] | 254,0 mm |
| Počet děr | 5 |
| Kruhový vyvrt O 2 [mm] | 78,5 mm |
Dostupnost